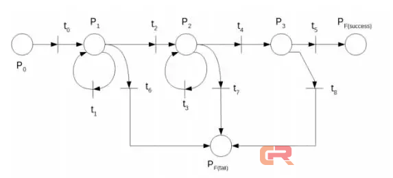
机械人会技击,谁也挡不住。 然则,真的有一群科研人员让机械人学会了一样武器:双节棍。 新泽西理工年夜学的一组科研人员做了一只仿外行,和一只举措捕获手套,经由过程人类的举措演示来教机械人应用双节棍。这项研讨的论文Robot Composite Learning and the Nunchaku Flipping Challenge曾经上传到了arXiv。 仿外行 人类先生在做示范的时刻,要戴上有传感器的手套来捕获举措 这固然不是为了让机械人对你应用双截棍,而是为了研讨如何让机械人学会一套静态的复合举措。 想让机械人完成精致举措,经由过程人类示范进修(learning from human demonstration,LfD)是一种经常使用的办法。然则对“应用双截棍”这类静态技巧、复合举措来讲,仅唯一人类示范还不敷,所以研讨者们又对“教授教养办法”做了一点小修正。 他们教机械人学双节棍的进程,和人类的教授教养异常类似。 人类转双截棍的举措(上)和对应的Petri网(下) 起首,先生用一个符号化的流程图:petri网来说明一个举措; 然后,再将全部举措展现几回,每次都给本身评个分; 接上去,就须要机械人依照Petri网和示范举措一步一步学了,它在进修举措掌握战略的同时,还能从先生的自我评分中进修评判尺度; 最初,机械人要对本身的举措停止评判,固然,在这个阶段,人类也能够给机械人的举措打分。 用这类办法,机械人学会将双截棍绕着手背转一圈然后捉住,也就是上图这个举措,须要年夜约几个小时。 好在它生成就战胜了练双截棍的最年夜妨碍:打到本身太疼了…… 这项试验中所用的双截棍,是“半软半硬”物体的典范代表,这类教授教养办法,也异样可以用来教机械人做其他庞杂举措,好比晒生果、给汽车装内饰等等。 固然也能学更庞杂的双截棍技巧啦,哼哼哈嘿!



